
2018年6月28~29日,由全国电压电流等级和频率标准化技术委员会(TC1)举办的第九届电能质量研讨会上,我公司技术总监刘军成做了《电能质量监测数据应用分析》的主题发言,所参展的公司产品获得了与会者的好评。


1、 参展公司产品




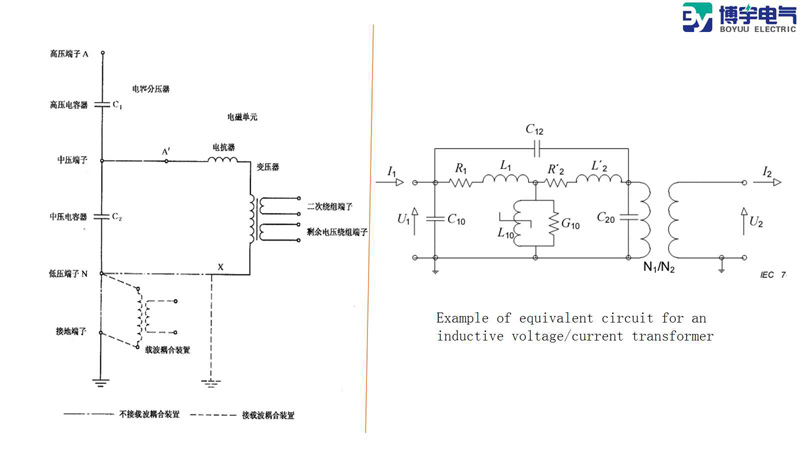
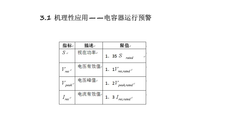
2、《电能质量监测数据应用分析》的主题发言内容

































关键词:电能质量监测 电能质量监测设备 电能质量监测方法、评估、分析
电能质量与电力节能专业供应商
网站首页
关于博宇
公司介绍
企业文化
组织结构
荣誉资质
产品与服务
电能质量检测系统
电能质量测试评估
电能质量综合治理
电气设备运行在线预警系统
电能检测诊断系统
技术开发与咨询
新闻中心
公司新闻
行业动态
技术支持
联系我们
联系方式
请您留言